
YBK2系列型號的防爆電機,大家都不常見過,因為它是應用在煤礦井下采掘工作面上專用的電機,只有在煤礦井工作的對它才不陌生。而YBK2系列型號的防爆電機是河南省南洋防爆電機有限公司根據自家的YB系列的防爆電機的基礎上進行的更新換代,已經可以完全取代老一代的YBK系列的防爆電機。
YBK2系列型號的防爆電機是什么樣的防爆電機呢?下面給你做解答。
一、YBK2系列型號防爆電機的簡介
YBK2防爆電機主要用于煤礦井下惡劣工作環境。適用于含有甲烷或煤塵的煤礦井下固定設備,可燃性氣體的場所內的設備上,作為一般動力設備使用。機座由鋼板焊接形成,風罩、接線盒、絕緣結構采取加強措施。
二、YBK2系列型號防爆電機的參數
1.額定電壓:380V、660V、380/660V、660/1140V
2.額定頻率:50Hz
3.防護等級:IP55
4.冷卻方式:IC411
5.工作制:S1
6.絕緣等級:F
7.安裝形式:IMB3、IMB5、IMB35等
三、YBK2系列型號防爆電機的適用的范圍
YBK2系列型號的防爆電機可適用常見可燃性氣體,蒸汽級別,溫度組別舉例見下表。
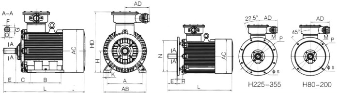
四、YBK2系列型號防爆電機的結構和安裝尺寸

以上知識來源于m.i2hj7g.com。想要了解更多知識,歡迎來電質詢。
Copyright 2006 - 2015 m.i2hj7g.com All rights
reserved.豫ICP備12015872號
版權所有:河南
省南洋防爆
電機有限公司 地址:河南省商水縣工業園區
緯五路與陽城路交叉口

